2016年10月份宏大中学学考选考模拟试卷
时间:90分钟 满分100分 命题人:王中海
一、选择题(本大题共28小题,每小题2分,共56分。每小题列出的四个备选项中只有一个是符合题目要求的,不选、多选、错选均不得分)
1.下列哪项不属于蛋白质的功能?( )
A.催化作用 B.免疫作用
C.运输作用 D.遗传物质作用
2.下列最适合用于替代哺乳动物的成熟血红细胞,作为制备细胞膜实验的材料是( )
A.植物根尖分生区细胞 B.植物叶肉细胞
C.心肌细胞 D.蓝藻细胞
3. 关于细胞核结构与功能统一性的叙述中,正确的是( )
A.核仁中的DNA控制着细胞代谢
B.染色质上的DNA储存着大量的遗传信息
C.不同细胞的核仁大小是相同的
D.原核细胞的核膜也具有两层膜,利于控制物质的进出
4.细胞核内行使遗传功能的结构是( )
A.核膜 B.核仁 C.染色质(体) D.核孔
5.下图为ATP的结构和ATP与ADP相互转化的关系式。有关说法不正确的是

A.图甲中的A代表腺苷,b、c为高能磷酸键
B.图乙中进行①过程时,图甲中的c键断裂
C.ATP与ADP快速转化依赖于酶催化作角具有高效性
D.夜间有02存在时,图乙中过程②主要发生在线粒体
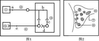
6.植物原生质层是指( )
A.细胞质
B.细胞膜和液泡膜之间的细胞质
C.细胞膜和液泡膜
D.细胞膜和液泡膜及两层膜之间的细胞质
7.下图为用同一种酶进行的不同实验结果,下列有关叙述正确的是( )

A.本实验研究的酶是淀粉酶
B.图1曲线是研究该酶具有高效性的结果
C.实验结果表明,该酶活性的最适温度是30℃、最适pH值是7
D.pH=2与温度为20℃条件下酶活性减弱的原因不同
8.下图表示酵母菌呼吸过程中碳原子转移的大致路径,有关分析正确的是
![]()
A.在有氧和无氧条件下,①过程发生的场所不同
B.在有氧和无氧条件下,催化②过程的酶可以不同
C.若图中②过程发生在线粒体中,则②过程释放的能量最多
D.在有氧和无氧条件下,图中①②过程均有ATP生成
9.下图为几种动物体内与细胞分裂有关的一组图像,下列说法中正确的是( )

A.上述细胞中有8条染色单体的是①②
B.具有同源染色体的细胞只有②和③
C.动物睾丸中可能同时出现以上细胞
D.①和④所示细胞的动物不可能是同一种动物
10.关于细胞的分化、衰老、凋亡与癌变,下面选项中表述正确的是( )
A.细胞的高度分化改变了物种的遗传信息
B.细胞的衰老和凋亡是生物体异常的生命活动
C.原癌基因或抑癌基因发生多次变异累积可导致癌症,因此癌症可遗传
D.良好心态有利于神经、内分泌系统发挥正常的调节功能,从而延缓衰老
11.下列关于减数分裂和有丝分裂共同点的描述,正确的是( )
A.染色体复制一次,着丝点分裂一次
B.染色体和DNA均等分配
C.细胞质和细胞核物质均等分配
D.同一生物的不同细胞分别进行一次有丝分裂和减数分裂形成的子细胞中,染色体和DNA数目均与分裂前的细胞相同
12.某男性遗传病患者与一个正常女子结婚,医生告诫他们只能生男孩.据此推测该病的遗传方式为( )
A.Y染色体遗传 B.常染色体显性
C.伴X显性 D.伴X隐性
13.甲、乙为两种不同的病毒,经病毒重建形成“杂交病毒”丙(如左图)。若用病毒丙侵染植物细胞,在植物细胞内产生的新一代病毒可表示为( )

14.一个双链DNA分子中含有胸腺嘧啶的数量是胞嘧啶的1.5倍,现测得腺嘌呤数量为1800个,则组成该DNA的脱氧核苷酸有( )
A.6000个 B.4500个 C.6400个 D.7200个
15.图甲表示某生物细胞中基因表达的过程,图乙为中心法则。①—⑤表示生理过程。下列叙述错误的是

A.图甲中的核糖体在该mRNA上的移动方向是从左向右
B.在病毒体内不会发生图乙中的④⑤
C.图乙中的②③可表示图甲所示过程
D.图乙中涉及碱基A与U配对的过程为②③④⑤
16.下图表示某生物细胞中两条染色体及其部分基因。下列四种情况的产生不属于该细胞染色体结
构变异的是

A.① B.② C.③ D.④
17.下图表示培育纯合高秆抗病植株新品种的几种方法,相关说法不正确的是( )

A.①过程是杂交育种中的操作,表示连续自交和选择过程
B.②④过程表示单倍体育种,它的优点是能明显缩短育种年限
C.④过程常用秋水仙素处理单倍体植株的幼苗或种子
D.③过程利用了植物组织培养技术
18. 在生物进化过程中,新物种形成的标志是 ( )
A.出现了新的基因 B.发生了染色体畸变
C.改变了基因频率 D.产生了生殖隔离
19.下列关于优生措施的相关说法错误的是
A.遗传咨询、产前诊断等对预防遗传病有重要意义
B.羊水检测可检查出染色体异常遗传病和多基因遗传病
C.产前基因诊断不含致病基因的胎儿也可能
患先天性疾病
D.经B超检查无缺陷的胎儿也可能
患遗传病
20.如图所示,a、b、c为对胚芽鞘做不同处理的实验,d为一植株被纸盒罩住,纸盒的一侧开口,有单侧光照。下列对实验结果的描述,正确的是( )

A.a、b向光弯曲生长,c背光弯曲生长
B.a直立生长,b、c向光弯曲生长
C.图d中如果固定植株,旋转纸盒,一段时间后,植株向左弯曲生长
D.图d中如果将纸盒和植株一起旋转,则植株向纸盒开口方向弯曲生长
21.下图1表示反射弧中三个神经元及其联系,其中
表示从树突到胞体再到轴突及末梢(即一个完整的神经元模式)。图2表示突触的显微结构模式图。下列关于图解的说法正确的是:(
)

A.图1内表示有2个完整突触结构
B.图1中刺激d点,兴奋将传导(递)至c、e点
C.图2轴突中有电信号→化学信号→电信号的转变
D.神经递质进入突触后膜与受体结合传递信息
22.机体内环境稳态是神经调节、体液调节和免疫调节共同作用的结果,是人体进行正常生命活动的必要条件。请结合图解回答下面的问题:(图中A、B、C、D表示器官或细胞;①②③表示物质)分析下列说法中错误的是()

A.图中①②③三种物质既体现了激素间分级调节,又体现了反馈调节
B.图中A器官既能参与神经调节,又能参与体液调节,是内分泌活动的枢纽
C.C细胞可产生抗体,其原因是C细胞识别抗原后迅速增殖分化
D.长期焦虑和紧张会导致机体免疫力下降,原因是D细胞活性下降使淋巴因子的分泌减少,影响了特异性免疫
23.重症肌无力是一种自身免疫性疾病,患者体内的自身抗体破坏了神经﹣肌肉突触后膜的受体蛋白.正确的治疗措施是( )
A.注射激素抑制抗体产生 B.注射神经递质提高传递效率
C.注射受体蛋白增加受体数量 D.注射淋巴因子增强免疫能力
24.如图用来表示田鼠种群的理想增长曲线和在某自然环境中的实际增长曲线,关于曲线的叙述不正确的是( )

A.食物最可能成为鼠群繁殖速度的限制因素是de段
B.X区域(图中阴影部分)可以代表环境阻力的大小
C.严密封储粮食,保护田鼠天敌等措施可以使e点向下移动
D.人工灭鼠时要将田鼠数量控制在c点
25.下列有关生态系统稳态与生物多样性的叙述,正确的是( )
A.生物多样性是保持生态系统稳态的重要条件
B.森林能调节气候属于生物多样性的直接价值
C.生物多样性包括种群、物种、生态系统三个层次的内容
D.抵抗力稳定性越差的生态系统,其恢
复力稳定性一定越强
26.【加试题】某研究小组进行某植物的栽培试验,图1表示在适宜的光照、CO2浓度等条件下测得的光合曲线和黑暗条件下的呼吸曲线;图2为在恒温密闭玻璃温室中,连续24 h测定的温室内CO2浓度以及植物CO2吸收速率的变化曲线。据图分析,下列说法中错误的是( )

A.图1中,当温度达到55 ℃时,植物光合作用相关的酶失活
B.根据图1分析,进行图2的实验时,温度最好设置在30℃
C.18 h时,图2叶肉细胞中叶绿体产生的O2量大于线粒体消耗的O2量
D.该植物在进行光合作用且吸收CO2的量为0时,在两图中的描述点共有4个
27.【加试题】下图是人体内血糖平衡调节示意图,据图分析错误的是( )

A.由图可知,血糖平衡的调节是由神经调节和体液调节共同完成的
B.图中甲表示胰岛B细胞,乙为胰岛A细胞,A为胰高血糖素,B为胰岛素
C.结构③通过释放神经递质,直接影响甲的分泌
D.血糖降低能直接刺激胰岛和肾上腺分泌相应激素
28.【加试题】某家系中有甲、乙两种单基因遗传病(如图),其中一种是伴性遗传病.相关分析正确的是( )

A.甲病是伴X染色体隐性遗传、乙病是常染色体显性遗传
B.Ⅱ﹣3的致病基因均来自于Ⅰ﹣2
C.Ⅱ﹣2有一种基因型,Ⅲ﹣8基因型有四种可能
D.若Ⅲ﹣4与Ⅲ﹣5结婚,生育一患两种病孩子的概率是![]()
二、非选择题(本大题共5小题,共44分)
|
种群 |
A |
B |
C |
D |
E |
F |
|
有机物同化量相对值 |
5000 |
390 |
110 |
29 |
21 |
5 |
29.(6分)下表是某池塘生态系统内一个食物网中6个种群有机物同化量的相对值,其中是生产者的只有A。
(1)该池塘中所有的生物构成一个
(2)若能量传递效率按10%计算,该食物网最多有 条食物链。
(3)如果池塘受到了农药污染,则位于食物链顶位的物种受害最严重,该现象称为 。
(4)如果向该池塘引入以 F 为专一食物的水生动物,A、B、C、D、E 5个种群中密度首先下降
的是 。
(5)一般情况下,池塘生态系统的结构和功能能够维持相对稳定,表明池塘生态系统的内部具有
一定的 能力,这种能力的大小与生态系统的 关系密切。
30.(7分)下图为叶肉细胞中部分代谢途径示意图。请回答以下问题:

(1)上图所示的生理过程为 循环,该循环的关键步骤是 ,NADPH在
该循环中的作用为 。
(2)淀粉运出叶绿体时先水解成TP或葡萄糖,后者通过叶绿体膜上的载体运送到细胞质中,然
后与 一起合成蔗糖,再运出叶肉细胞。
(3)若将光照撤离,短时间内叶绿体中RuBP的含量 (填“下降”,“上升”或“不
变”),此时叶肉细胞中产生ATP的场所是 。
(4)在供给C18O2较长时间后,光合产物中含18O的除糖类外,还有 。
![]() |
31.(7分)果蝇是遗传学研究的经典材料,其四对相对性状中红眼(E)对白眼(e)、灰身(B)对黑身(b)、长翅(V)对残翅(v)、细眼(R)对粗眼(r)为显性。下图是雄果蝇M的四对等位基因在染色体上的分布。请回答以下问题:
(1)果蝇M眼色的表现型是 ,该果蝇体细胞有丝分裂后期有 个染色体组。
(2)基因B和b的根本差异体现在 。
(3)该果蝇的次级精母细胞中含有 个长翅(V)基因。
(4)果蝇M与基因型为RrXEXe的个体杂交,F1有 种基因型,表现型为细眼红眼的
雌蝇中纯合子占 。为判断F1中某细眼红眼雌蝇的基因型,可选择基因型
为 的果蝇与其进行测交。
32.【加试题】(14分)回答下列(一)、(二)小题:
(一)请回答与“果酒和果醋制作”实验有关的问题:
![]()
(1)葡萄先用水洗净后,需用鲜红紫色的 溶液浸泡5min;榨汁前需要除去果柄,此操作是在清洗之 (填“前”或“后”)进行的。
(2)接种菌种前干酵母制成糊状后,为使酵母迅速发生作用,可加极少量 。
(3)葡萄浆放入发酵瓶中,装量不要超过 。
(4)为缩短制作果醋的周期,下列选项中采取的措施无效的是
A.用果酒为原料 B.增加醋杆菌的数量
C.控制适宜的发酵温度 D.发酵阶段封闭充气口
(5)在葡萄酒和葡萄醋发酵的整个过程中,某物质浓度随时间变化的示意图如下,该物质
是 。
(二)下图是科学家研究良种奶牛快速繁殖的过程示意图。

请据图回答下列问题:
(1)克隆牛G的性别是 。
(2)从良种公牛A采集的精子,需经 处理,才能穿入到卵细胞内部。对良种母牛B
进行激素处理的目的是 。
(3)为了获得多个基因型相同的后代,可对早期胚胎进行 。
(4)胚胎移植中,需要对受体D牛进行 处理,以保证胚胎能够在受体的子宫着床、
继续生长发育。
(5)克隆牛G的遗传性状与母牛B基本相同,但又不完全相同。下列有关其差异形成原因叙述
中不恰当的是 。
A.克隆牛G部分性状遗传自母牛F B.克隆牛G的细胞质基因来自母牛C
C.发育过程可能发生可遗传变异 D.受环境因素的影响
33.【加试题】(10分)欲研究甲状腺和甲状腺激素的生理作用,请根据实验材料完善实验思路,并回答有关问题。
实验材料:生理状况一致的成年小鼠,甲状腺激素溶液,生理盐水,手术器材,耗氧量测定仪,灌胃器等(要求与说明:手术和耗氧量测定具体操作不作要求;实验持续时间合适;实验条件均适宜;)
(1)实验思路:
①将生理状况一致的成年小鼠随机均分为A、B、C、D四组。
…
(2)预测实验结果(在坐标系中用柱形图表示至少2次的检测结果,其中包括对小鼠处理前和处理后的检测):
(3)分析与讨论:
①用耗氧量作为检测指标的依据是
②合成与分泌促甲状腺激素的细胞位于 ,该激素可促进甲状腺激素的生成和分泌
2016年10月份宏大中学学考选考模拟试卷
参考答案
一、 选择题(本大题共28小题,每小题2分,共56分。
|
1 |
2 |
3 |
4 |
5 |
6 |
7 |
8 |
9 |
10 |
|
D |
D |
B |
C |
A |
D |
D |
B |
C |
D |
|
11 |
12 |
13 |
14 |
15 |
16 |
17 |
18 |
19 |
20 |
|
A |
C |
D |
A |
A |
C |
C |
D |
B |
D |
|
21 |
22 |
23 |
24 |
25 |
26 |
27 |
28 |
|
|
|
B |
C |
A |
D |
A |
D |
D |
C |
|
|
二、非选择题
29. (每空1分,共6分)
(1)生物群落(或群落) (2)4 (3)生物放大
(4)BC(写全才给分) (5)自我调节 营养结构的复杂程度(食物网的复杂程度)
30. (每空1分,共7分)
(1)卡尔文 三碳酸的还原(CO2的还原、每个三碳酸分子接受来自NADPH的氢和来自
ATP的磷酸基团,形成三碳糖 均给分) 供氢(作还原剂)和供能(写全才给分)
(2)果糖
(3)下降 线粒体和细胞溶胶(写全才给分)
(4)H2O、 O2(或H218O、 18O2,写全才给分,多写糖类脂质蛋白质不扣分,多写CO2不给分)
31. (每空1分,共7分)
(1)红眼 4 (2)碱基对(或碱基,脱氧核苷酸对,脱氧核苷酸)的排列顺序(数量和排列顺序)不同
(3)0或2(写全才给分) (4)12 1/6 rrXeY
32. (填空1分,选择2分,共14分)
(一)(1)高锰酸钾 后 (2)蔗糖 (3)2/3 (4)D(2分) (5)乙醇(酒精)
(二) (1)雌性(母) (2)获能(培养) 超数排卵
(3)胚胎分割 (4) 同期发情 (5)A(2分)
33. (共10分)
(1)实验思路:共5分
②每隔一定的时间用耗氧量测定仪测定各组小鼠单位时间的耗氧量。
③A组小鼠手术切除甲状腺;B组小鼠假手术;C组小鼠用灌胃器灌喂适量的甲状腺激素溶液;D组小鼠用灌胃器灌喂等量的生理盐水。然后将各组小鼠置于相同且适宜条件下培养。
④每隔相同时间用耗氧量测定仪测定各组小鼠单位时间的耗氧量。
⑤对所得实验数据进行分析与处理。
1、体现出施加自变量(不同处理),每个处理给0.5分,共2分;
2、置于相同且适宜条件下培养,给1分;
3、提到两次及以上测耗氧量,或定期测量均给1分,仅有一次测量给0.5分;
4、只要出现“数据处理”、“数据分析”、“计算耗氧量”、“比较耗氧量”、“求耗氧量平均值”等字眼就给1分。
(2)预测实验结果:共3分
1、横坐标标注处理时间或检测时间、次数得0.5分;图例能够区分得0.5分(也可直接标注在柱形图上);
2、柱形图画对2组(每组4个柱)得2分, 其中每画正确一组得1分,图形必需呈现数量变化趋势,否则仅给第一个图形1分; 超过2次的图像取前2次评分。

(或③A组小鼠手术切除甲状腺,B组小鼠假手术; C组小鼠手术切除甲状腺,用灌胃器灌喂适量的甲状腺激素溶液,D组小鼠手术切除甲状腺用灌胃器灌喂等量生理盐水

若分组情况与参考答案不一致,但与实验结果相匹配也要给分。)
(3)分析与讨论:共2分,每空需回答准确完整才给1分,不设0.5分。
(3)①甲状腺激素促进新陈代谢,此过程需要消耗氧 ②垂体(或腺垂体)
